GDQ-J(b)气动高真空挡板阀
GDQ-J(b)型系列电、气动高真空挡板阀(又称角阀)采用波纹管密封,以电信号作为阀门开关信号,依靠压缩空气作为阀板启闭动力,在失去电源或压缩空气时,阀门将依靠弹簧自动关闭阀门,作









GDQ-J(b)型系列电、气动高真空挡板阀(又称角阀)采用波纹管密封,以电信号作为阀门开关信号,依靠压缩空气作为阀板启闭动力,在失去电源或压缩空气时,阀门将依靠弹簧自动关闭阀门,作为高真空管路中的启闭机构,本阀具有工作平稳、密封可靠、寿命长等一系列优点,是真空设备的自动化阀门之一。
阀门适用介质为空气及非腐蚀性气体
| |||||||||||||||||||||||||||||||||||||||||||||
|


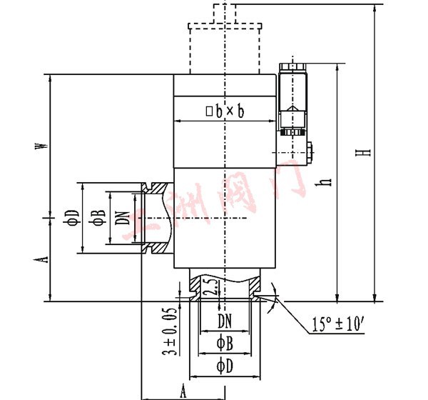
GDQ型系列气动高真空挡板阀

GDQ型系列气动高真空挡板阀(又称角阀)是用压缩空气为动力,通过电磁换向阀改变气路方向,推动气缸活塞上下运动,带动阀杆上下运动,使阀板开启或关闭,从而达到在真空系统中接通或切断气流的目的。GDQ-J型为角通型式,GDQ-S型为带预抽口的三通型式。适用的工作介质为空气及非腐蚀性气体。
| ||||||||||||||
| 注:其中DN400以上底部采用死法兰n-Mb。 |

GDC-J型系列电磁高真空挡板阀

GDC-J型系列电磁高真空挡板阀是靠电磁力和弹簧复位力,用以打开或关闭的阀门,适用于真空系统中用以打开或隔断气流之用。当阀关闭时,允许阀板密封面上侧承受大气压,下侧为真空,在此状态下接通电器控制盒电源后,阀板能正常开启。
适用的工作介质为空气、非腐蚀性及不含颗粒灰尘的气体。
| ||||||||||||||











纸箱、泡沫或木箱包装,江浙沪皖多发快递,其它地方10公斤之内发快递,10公斤以上发物流(需到物流站自提),10公斤以上发快递需补邮费,如还有其它问题请联系我们客服。

我公司为一般纳税人只能开17%增值税专用发票,含税需以上价格再上浮17%,开票请提供开票资料。
我公司开不了普通发票,如要可用其它台头开普票,需以上价格上浮6%,如还有其它发票问题请联系我们。

售后服务承诺
1.阀门类设备提供免费维修一年并提供在此期限内的免费备件清单,免费维保期间内如发生非人为原因引起的损坏(不可抗力原因除外),我公司将及时免费更换和修理。
2.设备要求实行终身包修,免费保修期满后买方如委托我公司进行维护保养,我公司将对设备进行维护更换件(),并详细列出维保内容。
3.我公司本着以客户利益为,想客户所想、急客户所急,尽己所能满足客户的要求,做好售后服务。
产品品质承诺
1.我公司从台湾引进先进加工检验技术,按照台湾先进的设计理念和台湾的精湛的生产工艺、全面遵循ISO9001-2000质量管理体系,按 GB、JB、SH、HG、CJ 等相关的国内标准以及 ANSI、JIS、BS、DIN 等国外标准设计制造和检查验收。
2.对所有分供方都进行考察、评审,所有产品的采购都只在合格分供方进行。对分供方所提供的原材料、外购件、外协件都需经过严格复查,检验合格后方准入库;
3.对分供方所提供的铸锻件、铸钢件、不锈钢铸件均具有合格的化学成分分析单与物理性能检测单;
4.产品制造严格执行“双三检”制度,不合格零件不转序、不装配、不出厂;
5.总装后按 GB13927、JB/T9092、CJ/T3056 标准进行强度、密封综合性能测试(介质为水、煤油、气体);
6.我公司对产品的质量及交货期负责,产品交货之日起质保期为一年,终身维护。对于产品质量引起的后果,我公司承担相应的责任。如因操作不当引起的后果,我公司将以低成本价对设备进行维护。


流量:致电详询
扬程:致电详询
电话咨询:400-600-1665